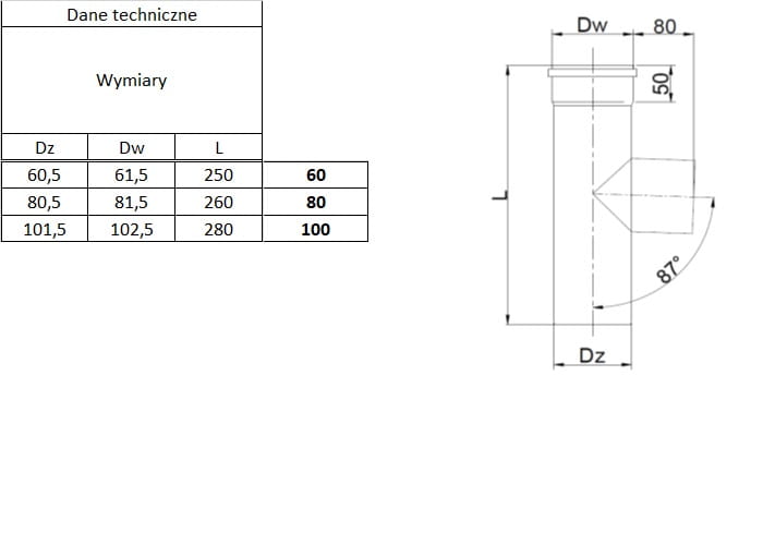
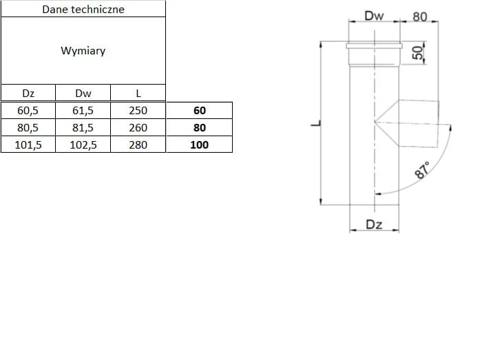
Trójnik 90° Turbo Kwasoodporny

Dostępność: Dostępny w dużych ilościach
Wysyłka w: 48 godzin
Dostawa: Cena nie zawiera ewentualnych kosztów płatności sprawdź formy dostawy
Cena: 68,99 zł

Cena regularna:

68.99
Najniższa cena z 30 dni przed obniżką:
ilość szt.

towar niedostępny

dodaj do przechowalni
* - Pole wymagane
Ocena: 0
Producent: SolidnyKomin
Kod produktu: TJ11/60

Opis

 Trójnik 90° System Turbo Kwasoodporny

Element do połączenia pieca z wkładem kominowym pod kątem 90°

System Kominowy Turbo stosuje się do odprowadzania spalin z zamkniętą komorą spalania. Turbo to konstrukcja służąca do odprowadzania spalin z kotłów grzewczych pracujących w nadciśnieniu. W związku z tym zastosowane są uszczelki sylikonowe, montowane wewnątrz każdego elementu, które utrzymują nadciśnienie i zapobiegają wyciekowi kondensatu, który musi swobodnie spływać nie zalegając w uszczelkach.

Połączenie kielichowe rur wraz ze wspomnianą uszczelką gwarantuje niezawodną szczelność układu. Ciepło zawarte w spalinach w części odzyskiwane jest poprzez schłodzenie i skroplenie się pary wodnej z produktu spalania natomiast wydobywające się spaliny wyrzucane są na zewnątrz.

Szczelne połączenie oraz dostarczanie powietrza z zewnątrz daje możliwość zainstalowania kotła z takim systemem praktycznie w każdym pomieszczeniu, nawet o bardzo małej powierzchni jak łazienka czy kuchnia zapewniając przy tym pełne bezpieczeństwo użytkownikom.

System Turbo przeznaczony jest do odprowadzania spalin z kotłów opalanych olejem lub gazem oraz wykonany ze stali o gatunku 1.4404 oraz grubości 0,5 mm.

Cała konstrukcja kominowa cechuje się bardzo dużą odpornością na działanie kwasów.

Każdy sprzedawany przez nas produkt posiada gwarancję producenta oraz wymagany certyfikat zgodności.

Dane techniczne

Producent Polski
System Powietrzno-Spalinowy
Materiał Stal Kwasoodporna
Gatunek Stali 1.4404
Grubość Stali 0,5 mm
Przeznaczenie Gaz, Olej
Rodzaj Połączenia Kielichowo
Spawanie Plazmowo

Koszty dostawy Cena nie zawiera ewentualnych kosztów płatności

Kraj wysyłki:

Produkty powiązane

do góry
Sklep jest w trybie podglądu
Pokaż pełną wersję strony
;
Sklep internetowy Shoper Premium